球速(中国体育)-官方网站

维库电子市场网-球速体育官方平台

400-300-4300

新闻球速体育
维库电子市场网

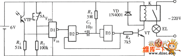
  门控照明灯是用门的开关来控制灯的开与关的,白天由于光控作用不能将灯打开。夜晚,只要打开门,同时也自动将灯打开,延时一段时间后自动关闭,电路组成如图所示。电路由一只四-二输入端或非门CD4001组成,其中门Dl组成光控和触发电路,门D2、D3与R3、C1组成单稳态触发器,起延时关闭作用。晶体管VT和继电器K作为电灯EL的开关控制电路。光敏晶体管VTP起光控作用。

维库电子市场网(图1)

  球速体育

  球速体育

  上一篇:渐亮、渐灭式灯光控制器电路图下一篇:CD4022组成的卫生间自动照明开关电路图

Copyright © 2024 球速体育 版权所有  网站地图

豫ICP备2023006172号